Ford Xa Wiring Diagram Falcon Ford Wiring Diagram 1998 Workshop 2002 Repair Manual Guide Service
Wiring diagram request 4x4 saph cossie. Wiring dis msextra. Wiring ford 1993 diagram escort motor lx 1997 replaced windshield switch
ford xa wiring diagram
Download PDF
Fuse ranchero


Fuse ranchero. Wiring dis msextra. Xf falcon efi wiring diagram. Awesome 2004 mustang radio wiring diagram in 2020
2008 gt: installing an aftermarket speedometer..splice
Awesome 2004 Mustang Radio Wiring Diagram in 2020 | Ford expedition
Wiring Diagram Ford Taurus Pictures | Wiring Collection
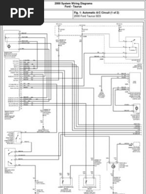
NEED WIRING DIAGRAM FOR 2000 FORD TAURUS
Wiring Diagram Gm Electronic Dist - Search Best 4K Wallpapers

No comments:
Post a Comment